高壓變頻在超超臨界660MW機組凝結水泵中的應用
三、高壓凝泵變頻方案實施
3.1 動力系統方案
針對凝結水系統的特點,綜合比較多種動力系統方案,我們最終確定我廠凝結水系統變頻改造采用一拖二手動旁路方案。即配備一臺高壓變頻器,通過切換高壓隔離開關把高壓變頻器切換到要運行的凝結水泵上去。高壓變頻器可以拖動A凝結泵電動機實現變頻運行,也可以通過切換拖動B凝結泵電動機實現變頻運行。兩側凝結泵電動機均具備工頻旁路功能,可實現任意一臺電動機的變頻運行,另外一臺處于工頻備用,當高壓變頻器故障時,系統可聯鎖另一臺工頻電機運行。

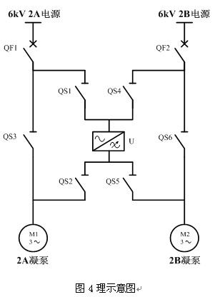
基本原理:它是由六個高壓隔離開關QS1~QS6組成(見圖4)。其中QS1和QS4,QS2和QS5有電氣互鎖;QS3和QS2,QS6和QS5安裝機械互鎖裝置。如果兩路電源同時供電,A凝泵工作在變頻狀態,B凝泵工作在工頻狀態時,QS3和QS4、QS5分閘,QS1、QS2和QS6處于合閘狀態;B凝泵工作在變頻狀態,A凝泵工作在工頻狀態時,QS1和QS2、QS6分閘,QS3、QS4和QS5處于合閘狀態;如果檢修變頻器,QS3和QS6可以處于合閘狀態,其它隔離開關都分閘,兩臺負載可以同時工頻運行;當一路電源檢修時,可以通過分合隔離開關使任一電機變頻運行。
當A凝結泵變頻運行故障跳閘時,系統聯鎖起動B凝結泵QF2開關工頻運行。當B凝結泵變頻運行故障跳閘時,系統聯鎖起動A凝結泵QF1開關工頻運行。
3.2 控制系統方案
3.2.1 改造原則
凝結水泵變頻改造要在保證除氧器水位調節品質不變,并可以在工作泵跳閘、低水壓等特殊工況發生時保證機組正常運行前提下進行變頻改造。改造利用現有的設備與系統,原來兩個水位調節門全開以減小節流損失,當高壓變頻器跳閘后,備用凝結水泵以工頻方式立即啟動,將凝結水打至出口母管,以保證在變頻器跳閘時除氧器水位的穩定。兩個調整門的開度由當前實際負荷計算得出,而且在10秒鐘時間內迅速關到指定位置,最低程度減小系統擾動,維持除氧器水位在正常范圍內,保證機組運行。
3.2.2 實際改造實施情況
變頻器的啟停通過閉合、斷開變頻方式下的凝結水泵的6kV開關來自動完成,也就是說,行人員在凝泵操作面板上按下凝泵操作面板的啟動”和“停止”按鈕即可完成6kV開關的閉合、斷開及變頻器的啟停控制。由于是一臺變頻器控制兩臺凝泵,所以同時只能有一臺泵在變頻方式下,另一臺泵在工頻方式,在邏輯中設計了凝泵的變頻運行方式和工頻運行方式,同時在原系統中分別增加了一套保護和一套聯鎖,即變頻器重故障凝結水泵跳閘保護,同時備用泵聯鎖啟動。
正常運行時一臺凝結水泵變頻運行,另外一臺凝結水泵工頻備用,運行人員可根據實際情況控制除氧器水位調節門開度,變頻運行且投入自動,變頻器通過輸出頻率的改變來調整凝結水泵的轉速,從而通過控制凝結水泵到除氧器的上水量,保證除氧器水位穩定在運行人員的設定值范圍內。當水位發生波動時,通過DCS組態中以凝結水流量、省煤器出口流量、除氧器水位三個參數構成的串級回路,輸出轉速指令至變頻器,調整凝結水泵的上水量,以穩定除氧器水位。
當就地設備發生故障,例如變頻器發“重故障報警”或者凝結水泵突然跳閘等故障發生時,當前凝結水泵的高壓合閘開關斷開,并閉合另外一臺工頻備用凝結水泵高壓合閘開關,備用泵工頻啟動。變頻器自動切換到“手動”方式,兩個調節門自動切換到“自動”方式,當工頻泵啟動的瞬間,除氧器上水調整門開度仍然在較大開度,凝結水上水量會因此猛增,為防止除氧器水位超過規定值,兩個調節門必須在最短的時間內關到合適的位置,所以邏輯設計了一旦變頻器由于故障原因由自動切手動,調門在10秒鐘時間內強制關到當前負荷要求的開度,投入到“自動”方式運行。這個開度也是工頻正常運行時調整門的理想開度值。當調整門關到負荷計算值位置并且穩定后,從而完成整個凝結水變頻故障的無擾切換。
3.3 冷卻系統方案
由于變頻器本體在運行過程中有一定的熱量散失,為保證變頻器具有良好的運行環境,需要為變頻器配備獨立的冷卻系統。根據現場的實際情況,綜合冷卻系統的投資和運營成本、設備維護量、無故障運行時間,針對實際安裝位置、發熱總量、運營成本、施工費用等因素,此次變頻改造采用了強制密閉式冷卻方案。
為保障變頻設備處于安全運行,避免環境溫度和粉塵對設備的不利影響,在變頻器功率柜側獨立增加密閉式強制冷卻系統。該系統作為變頻功率柜外的附屬裝置,能夠保證變頻功率柜始終處于25~40℃運行環境,大幅度延長濾網更換周期,少現場維護量。不需要為變頻器再獨立建筑房屋,變壓器柜采用開放式冷卻。強制冷卻裝置與變頻器功率柜一體化設計,附著于功率柜頂部。制冷壓縮機組安裝于變頻器柜附近。
強制密閉式冷卻系統如下圖所示:

通過實際運行,強制密閉冷卻裝置能夠滿足高壓變頻器運行過程中的散熱需要,設備安裝簡便、快捷,熱交換效率高。
四、采用變頻調速應該注意的問題
選擇可靠性要求高。電廠的性質決定了用于電廠的高壓變頻器需要有很高的可靠性,保證電廠的安全生產。美國羅賓康高壓變頻器和北京利德華福有限公司的高壓變頻器均采用整個功率單元串聯,而不是功率器件直接串聯,避免了器件直接串聯帶來的均壓問題。采用功率單元旁路技術,當功率單元故障時,變頻器仍可降額繼續運行,大大提高了系統的可靠性。在選擇高壓變頻器時,這一性能應詢問變頻器廠家,作為重點參考指標。
變頻器輸入諧波對電力系統的影響。如果變頻器輸入電流諧波較大(比如采用電流源型變頻器,沒有濾波措施時),對火電廠的電力系統會產生如下危害:供電系統的繼電保護裝置誤動作,可能導致大面積停電。測量儀器儀表誤差增大,影響計量精度和控制性能。影響其它電力電子裝置,電子計算機系統及通信設備的正常工作。使電機,變壓器和電容器等用電設備損耗增大,嚴重時會過熱或燒損。完美無諧波高壓變頻器輸入電流諧波失真極小,對電網基本不產生諧波污染。大,中型火電廠自動化水平高,大多數采用自動化儀表和計算機控制系統,對用電系統的諧波要求很高,美國羅賓康高壓變頻器和北京利德華福有限公司的高壓變頻器電壓、電流波形較好,不存在這方面的問題。
變頻器輸出波形對電機的影響。由于火電廠應用變頻調速很大部分是屬于舊有設備的改造,原有的普通電機是設計成為電網直接運行的,而電網電壓波形基本為正弦波。如果變頻器輸出波形質量不好的話,會對電機產生影響。變頻器輸出諧波會引起的電機附加發熱和轉矩脈動,噪音增加,輸出dv/dt和共模電壓會影響電機的絕緣。美國羅賓康高壓變頻器和北京利德華福有限公司的高壓變頻器輸出波形質量均很高,不必設置輸出濾波器,就可以使用原有的普通異步電機。
高壓變頻器進線刀閘、旁路刀閘、出線刀閘集成柜的選擇。選擇高壓變頻器時,可根據輔機設備的重要程度決定是否采用進線刀閘、旁路刀閘、出線刀閘集成柜。而凝結水泵,正常運行時一臺運行,一臺備用,因此在變頻器故障時不會造成造成機組降負荷運行,不再采用進線刀閘、旁路刀閘、出線刀閘集成柜,以便降低造價,節約投資。
高壓變頻器要有可靠的冷卻裝置,高壓變頻器在冷卻風扇停運時,功率單元將超溫而使變頻器停止運行,因此高壓變頻器應有兩套獨立的冷卻裝置,并且冷卻裝置的電源系統要有兩套來自不同低壓段的獨立的電源供電。
高壓變頻器應選擇良好的運行環境。高壓變頻器的運行應選擇清潔、通風、干燥的運行環境,高壓變頻器變壓器柜和功率柜的濾網應定期清掃。特別是運行環境較差時,灰塵將阻塞濾網,造成冷卻效果變差而功率單元超溫報警,甚至停運。
五、節能效果分析
5.1 設備參數
5.1.1 凝泵系統參數
凝結泵電機參數
型號:YKKL2300-4/1180-1
額定功率:2300 kW
額定電壓:6kV 額定頻率:50Hz
額定電流:262.9A 額定轉速:1492r/min
相數:3 接線方式:2Y
冷卻方式:IC611
電機轉動慣量:J=133.4kg.m2
生產日期2007年4月
制造廠家 湘潭電機有限公司
5.1.2 高壓變頻器參數
型號 HARSVERT-A06/270
技術方案 多級模塊串聯,交直交、高高方式
額定輸入電壓/允許變化范圍 6kV/±10%
系統輸出電壓 0~6kV
對電網電壓波動的敏感性 -35%~+15%
移相變壓器額定容量 2900kVA
變頻器輸出電壓變化范圍 0~6kV
變頻器輸出電流變化范圍 0~262.9A
電網側變換器型式及元件 30脈沖,二極管三相全橋
電機側逆變器型式及元件 IGBT 逆變橋串連
冷卻方式 強制密閉冷卻
制造廠家 北京利德華福電氣技術有限公司
5.2工頻/變頻狀態在各種負荷下每小時節電見下表:

根據上表中數據可以看出,機組負荷越小,采用變頻改造后,凝結水泵電機節能效果越顯著。按平均每小時節電750kWh,年運行6000小時計算,年節電750×6000=450萬(kWh),按上網電價0.4元/kWh 計算,年效益0.4×450=180(萬元)。
六、結語
凝結泵在變頻改造投運后一年多時間里運行穩定。此次,660MW超超臨界機組凝結水系統高壓變頻改造,新增變頻設備安裝布置在凝結水泵就近位置,節省了高壓電纜和土建費用;冷卻系統均采用強制密閉冷卻結構設計,風路循環使用,粉塵小、環境穩定,受外界環境因素影響小,大大減低維修維護人員的工作強度。凝結水系統投入運行后各項測試性能指標良好:兩個調整門截流噪音及震動明顯減小,機組在330MW運行時,凝結水泵電機電流由原來的170.5A 最低降低到75.9A左右,節電率可達55.5%,全年平均節電率為50.9%。節能效果十分明顯。超超臨界機組凝結水泵變頻改造后,實現了跟蹤負荷等參數變化通過調節電動機頻率實現連續調節,平滑穩定、調節范圍大、節能降耗效果明顯,經濟性較高。值得在全國范圍內大規模的推廣應用。

責任編輯:電朵云
-
權威發布 | 新能源汽車產業頂層設計落地:鼓勵“光儲充放”,有序推進氫燃料供給體系建設
2020-11-03新能源,汽車,產業,設計 -
中國自主研制的“人造太陽”重力支撐設備正式啟運
2020-09-14核聚變,ITER,核電 -
探索 | 既耗能又可供能的數據中心 打造融合型綜合能源系統
2020-06-16綜合能源服務,新能源消納,能源互聯網
-
新基建助推 數據中心建設將迎爆發期
2020-06-16數據中心,能源互聯網,電力新基建 -
泛在電力物聯網建設下看電網企業數據變現之路
2019-11-12泛在電力物聯網 -
泛在電力物聯網建設典型實踐案例
2019-10-15泛在電力物聯網案例
-
權威發布 | 新能源汽車產業頂層設計落地:鼓勵“光儲充放”,有序推進氫燃料供給體系建設
2020-11-03新能源,汽車,產業,設計 -
中國自主研制的“人造太陽”重力支撐設備正式啟運
2020-09-14核聚變,ITER,核電 -
能源革命和電改政策紅利將長期助力儲能行業發展
-
探索 | 既耗能又可供能的數據中心 打造融合型綜合能源系統
2020-06-16綜合能源服務,新能源消納,能源互聯網 -
5G新基建助力智能電網發展
2020-06-125G,智能電網,配電網 -
從智能電網到智能城市

