發明專利|一種智能變電站微電網系統
摘要:
一種智能變電站微電網系統,包括:儲能系統和發電系統、微電網中央控制單元;所述微電網中央控制單元,與發電系統和儲能系統連接,將發電系統的電能傳送至儲能系統;所述發電系統包括至少包括光伏發電系統和風力發電系統中的一個;所述儲能系統包括:能量管理系統和儲能系統管理單元、若干電池在線監測模塊、電池組端監測模塊以及儲能電池組;所述能量管理系統,與儲能系統管理單元連接;儲能系統管理單元,與微電網中央控制單元連接,接收微電網中央控制單元的控制命令;電池組端監測模塊,與儲能系統管理單元連接,監測儲能電池組的充放電電流、浮充電流、總電壓。
發明人:
沈一平 周建其 莫加杰 張志芳徐勇明 沈紅峰 李元鋒 吳琴芳仇群輝 溫鎮 肖治宇 魏敏柳雨晴

1 .一種智能變電站微電網系統,其特征在于,包括:儲能系統和發電系統、微電網中央控制單元;所述微電網中央控制單元,與發電系統和儲能系統連接,將發電系統的電能傳送至儲能系統;所述發電系統包括至少包括光伏發電系統和風力發電系統中的一個;所述儲能系統包括:能量管理系統和儲能系統管理單元、若干電池在線監測模塊、電池組端監測模塊以及儲能電池組;所述能量管理系統,與儲能系統管理單元連接;儲能系統管理單元,與微電網中央控制單元連接,接收微電網中央控制單元的控制命令;電池組端監測模塊,與儲能系統管理單元連接,監測儲能電池組的充放電電流、浮充電流、總電壓;儲能電池組包括若干儲能電池,與電池組端監測模塊連接;每個儲能電池與對應的電池組端監測模塊連接。
2.根據權利要求1所述的一種智能變電站微電網系統,其特征在于,所述電池組端監測模塊通過霍爾電流傳感器與儲能電池組連接。
3.根據權利要求2所述的一種智能變電站微電網系統,其特征在于,所述儲能電池為蓄電池。
4.根據權利要求3所述的一種智能變電站微電網系統,其特征在于,所述蓄電池為鉛碳蓄電池。
5.根據權利要求4所述的一種智能變電站微電網系統,其特征在于,所述儲能電池之間采用串聯連接。
6.根據權利要求5所述的一種智能變電站微電網系統,其特征在于,所述儲能電池通過儲能變流器與發電系統的輸出母線連接。
7 .根據權利要求1所述的一種智能變電站微電網系統,其特征在于,所述風力發電系統包括:風力機組模塊:捕獲風能并將風能轉化為交變電能,包括風力發電機組、塔架、地基以及線纜;并網控制模塊:內置輸出直流電并對輸出最高電壓進行限制的整流模塊,還包括并網控制器、泄荷器以及線纜;逆變模塊:包括并網逆變器以及線纜,與所述整流模塊連接,將整流模塊輸出的直流電逆變成交流電并饋入電網;監控模塊:與風力機組模塊、并網控制模塊以及逆變模塊連接,包括遠程監控裝置、通信GPRS卡以及線纜。
技術領域
本發明涉及微電網技術領域,特別涉及一種智能變電站微電網系統。
背景技術
近幾年微電網成為了國內外研究的熱點,這類電網可以有效地就近消納分布式能源發出的電能,不需要遠距離的長途輸配電,因此可以大大提高電能的利用率,實現就近發電就近用電。并且隨著分布式發電技術的不斷進步,微電網成為了未來電網的一個發展趨勢。
中國專利公開號CN203423531 U,公開日2014年2月5日,發明創造的名稱為光電建筑微電網管理系統,該申請案公開了光電建筑微電網管理系統,它包括太陽能光伏方陣,在負載與市電電網之間設雙向逆變器,與太陽能光伏方陣相連接的并網逆變器并聯在雙向逆變器的輸出端,雙向逆變器還與儲能裝置相連接,集成了光伏、儲能、市電一體化循環利用的能量優化管理系統。其不足之處在于僅考慮了光伏發電的情況,未能考慮其他發電形式的電能處理方案,并且未能對管理方案做進一步的說明,不利于行業內人員的具體實現。
發明內容
本發明的目的在于解決上述現有技術存在的未能綜合考慮多種發電方式相結合的發電系統的電能輸出問題,提供了一種具體可實現的智能變電站微電網系統。
本發明解決其技術問題所采用的技術方案是:一種智能變電站微電網系統,包括:儲能系統和發電系統、微電網中央控制單元;所述微電網中央控制單元,與發電系統和儲能系統連接,將發電系統的電能傳送至儲能系統;所述發電系統包括至少包括光伏發電系統和風力發電系統中的一個;所述儲能系統包括:能量管理系統和儲能系統管理單元、若干電池在線監測模塊、電池組端監測模塊以及儲能電池組;所述能量管理系統,與儲能系統管理單元連接;儲能系統管理單元,與微電網中央控制單元連接,接收微電網中央控制單元的控制命令;電池組端監測模塊,與儲能系統管理單元連接,監測儲能電池組的充放電電流、浮充電流、總電壓;儲能電池組包括若干儲能電池,與電池組端監測模塊連接;每個儲能電池與對應的電池組端監測模塊連接。
本發明中,智能變電站微電網系統融合直流系統和電池在線監測、光伏發電和風力發電,將變電站交直流一體化電源與發電系統相結合,充分利用一體化電源蓄電池作為儲能系統,通過儲能雙向變流器替代直流系統電源模塊,對蓄電池進行充放電控制。蓄電池組放電過程保持最低SOC為50%(或計算合理比例),以備所用電直流系統安全用電保障。微網中央控制單元實現微電網穩定運行,完成聯網狀態下電壓穩定控制,離網狀態下電壓和頻率控制;多目標多源與負荷協調控制;保護和緊急控制,完成保護和智能設備協調控制、緊急快速響應;并網/離網下穩定控制與并離網平滑切換等。
作為優選,所述電池組端監測模塊通過霍爾電流傳感器與儲能電池組連接。
作為優選,所述儲能電池為蓄電池。
作為優選,所述蓄電池為鉛碳蓄電池。
作為優選,所述儲能電池采用串聯連接。
作為優選,所述儲能電池通過儲能變流器與發電系統輸出母線連接。
本發明中,通過儲能變流器控制儲能電池的充放電。
作為優選,所述風力發電系統包括:風力機組模塊:捕獲風能并將風能轉化為交變電能,包括風力發電機組、塔架、地基以及線纜;并網控制模塊:內置輸出直流電并對輸出最高電壓進行限制的整流模塊,還包括并網控制器、泄荷器以及線纜;逆變模塊:包括并網逆變器以及線纜,與所述整流模塊連接,將整流模塊輸出的直流電逆變成交流電并饋入電網;監控模塊:與風力機組模塊、并網控制模塊以及逆變模塊連接,包括遠程監控裝置、通信GPRS卡以及線纜。
本發明中,風能并網發電系統是利用風力發電機組將風能轉換為交流電能,風力發電機輸出的幅值、頻率均不穩定的交流電,經過控制器整流成直流電后輸出給逆變電源,由逆變電源轉換成幅值、頻率均穩定的交流電,經過電度表計量后,直接饋入直流電逆變為AC380V、50Hz的三相交流電。
本發明的實質性效果:綜合考慮多種發電方式相結合的發電系統與儲能系統相結合的微電網系統,通過儲能變流器對儲能電池進行充放電控制,通過微網中央控制單元控制聯網狀態下和離網狀態下的電壓和頻率。所用變供電故障或檢修時,所用供電系統孤網運行,由發電系統和儲能系統作為系統主電源,當負荷用電量大于系統發電量,由微網中央控制單元快速進行次要負荷切除,保證重要負荷的供電。所用變供電恢復后,所用供電系統連接到電網,實現微電網離網到并網模式的切換,恢復所有負荷供電。
附圖說明
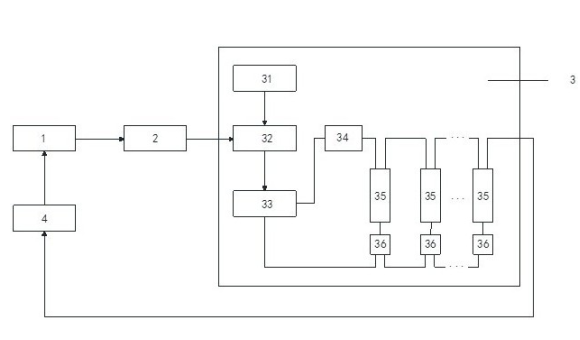
圖1為本發明的一種系統結構圖。

圖中:1-發電系統,2-微電網中央控制單元,3-儲能系統,31-能量管理系統,32-儲能系統管理單元,33-電池組端監測模塊,34-霍爾電流傳感器,35-儲能電池,36-電池在線監測模塊,4-儲能變流器。
具體實施方式
下面通過具體實施例,并結合附圖,對本發明的技術方案作進一步的具體說明。
一種智能變電站微電網系統,如圖1所示,儲能系統和發電系統、微電網中央控制單元;所述微電網中央控制單元,與發電系統和儲能系統連接,將發電系統的電能傳送至儲能系統;所述發電系統包括至少包括光伏發電系統和風力發電系統中的一個;所述儲能系統包括:能量管理系統和儲能系統管理單元、若干電池在線監測模塊、電池組端監測模塊以及儲能電池組;所述能量管理系統,與儲能系統管理單元連接;儲能系統管理單元,與微電網中央控制單元連接,接收微電網中央控制單元的控制命令;電池組端監測模塊,與儲能系統管理單元連接,監測儲能電池組的充放電電流、浮充電流、總電壓;儲能電池組包括若干儲能電池,與電池組端監測模塊連接;每個儲能電池與對應的電池組端監測模塊連接。
儲能電池為鉛碳蓄電池,電池組端監測模塊通過霍爾電流傳感器第一個鉛碳蓄電池連接,其他鉛碳蓄電池相互之間采用串聯連接,最后一個鉛碳蓄電池通過儲能變流器與發電系統的輸出母線連接。
并網期間,微電網發電系統的發電只占廠站用電的一部分,在離網瞬間,各發電系統和蓄電池來不及調節出力或者即使全部最大化發電也無法滿足所有站用變負荷用電,導致能源局域網內頻率無法維持。針對這種情況,微網中央控制單元在并網運行時,實時計算系統功率差額,并規劃如果發生離網,各發電系統和蓄電池電源的出力計劃、各負荷的投切計劃,一旦檢測微電網離網,則立即執行已定控制計劃。
1)儲能系統管理單元檢測到電網電壓降低或者收到離網命令后,檢測流過快速開關的電流峰值或有效值。如果流過快速開關的電流大于允許切換電流閥值,儲能系統管理單元以當前電流參考與并網電流的偏差值作為儲能逆變器輸出電流參考指令,在快速開關關斷前盡快降低微電網與電網之間聯絡線上電流;
2)當儲能系統管理單元檢測到并網電流小于允許切換電流閥值后,下達快速開關關斷指令,同時儲能系統管理單元進行控制模式切換,由電流控制切換至電壓控制。在微電網運行模式切換過程中,從電源始終運行在電流控制模式下。
電網恢復正常后,微電網需要重新并網運行。微電網并網運行前應首先保證快速開關兩側的電壓幅值、相位和頻率相等,同時還應減小切換后的電流沖擊,具體的獨立至并網運行模式無縫切換控制邏輯如下:
1)儲能系統管理單元檢測到電網電壓正常后,以當前電網電壓作為控制器的輸出電壓參考,不斷調整其輸出使快速開關兩側的電壓相位和幅值相同;
2)當儲能系統管理單元檢測到快速開關兩側電壓滿足并網條件后,下達快速開關合閘指令,同時儲能系統管理單元進行控制模式切換,由電壓控制切換至電流控制。在微電網運行模式切換過程中,從電源始終運行在電流控制模式下。當微電網運行模式切換完成后,根據微電網能量管理系統控制儲能出力和增加分布式發電系統出力。微電網系統通過第三所用變為工業園區和所外用電設備供電,實現電能共享。
所述風力發電系統包括:風力機組模塊:捕獲風能并將風能轉化為交變電能,包括風力發電機組、塔架、地基以及線纜;并網控制模塊:內置輸出直流電并對輸出最高電壓進行限制的整流模塊,還包括并網控制器、泄荷器以及線纜;逆變模塊:包括并網逆變器以及線纜,與所述整流模塊連接,將整流模塊輸出的直流電逆變成交流電并饋入電網;監控模塊:與風力機組模塊、并網控制模塊以及逆變模塊連接,包括遠程監控裝置、通信GPRS卡以及線纜。
并網逆變器輸出交流電匯總到低壓交流開關柜,與變電所內的AC380V端并聯,系統采用220/380VAC三相五線制輸出,直接與配電室變壓器二次端并網運行。風能并網發電系統具有逆功率保護、防孤島、短路過流、過壓等保護功能,確保風能系統安全、可靠的發電并網運行。系統三相額定平衡負載時輸出電流最大總波形畸變率小于5%、各次諧波含有率小于3%。
以上所述實施例只是本發明的一種較佳的方案,并非對本發明作任何形式上的限制,在不超出權利要求所記載的技術方案的前提下還有其他的變體及改型。

責任編輯:仁德財
-
權威發布 | 新能源汽車產業頂層設計落地:鼓勵“光儲充放”,有序推進氫燃料供給體系建設
2020-11-03新能源,汽車,產業,設計 -
中國自主研制的“人造太陽”重力支撐設備正式啟運
2020-09-14核聚變,ITER,核電 -
探索 | 既耗能又可供能的數據中心 打造融合型綜合能源系統
2020-06-16綜合能源服務,新能源消納,能源互聯網
-
新基建助推 數據中心建設將迎爆發期
2020-06-16數據中心,能源互聯網,電力新基建 -
泛在電力物聯網建設下看電網企業數據變現之路
2019-11-12泛在電力物聯網 -
泛在電力物聯網建設典型實踐案例
2019-10-15泛在電力物聯網案例
-
權威發布 | 新能源汽車產業頂層設計落地:鼓勵“光儲充放”,有序推進氫燃料供給體系建設
2020-11-03新能源,汽車,產業,設計 -
中國自主研制的“人造太陽”重力支撐設備正式啟運
2020-09-14核聚變,ITER,核電 -
能源革命和電改政策紅利將長期助力儲能行業發展
-
探索 | 既耗能又可供能的數據中心 打造融合型綜合能源系統
2020-06-16綜合能源服務,新能源消納,能源互聯網 -
5G新基建助力智能電網發展
2020-06-125G,智能電網,配電網 -
從智能電網到智能城市

